168飞艇开奖官网开奖记录查询结果

天信仪表电话0517-86908060
全部类别
卫生型电磁流量计
发布时间:2021-08-13 11:26来源:字体:
一、卫生型电磁流量计产品概述
卫生型电磁流量计是—种专门应用于食品、制药、饮料等行业,作为 计量、配料、控制成品灌装等用途的专用流量计量仪表。该仪表本体采用不锈钢 (304或316L)制成,电极和衬里材质符合卫生级标准。整机结构突破传统工艺,采用国外先进结构优化设计,大大提高了仪表的精确度和重复性。卫生电磁流量计是卫生行业理想的测控仪表。
二、卫生型电磁流量计产品特点
1、专门应用于食品、制药、饮料等行业;
2、测量不受流体密度、粘度、温度、压力、和电导率变化影响;
3、测量管内无可动部件、无阻流部件,测量中几乎没有附加压力损失;
4、卫生型电磁流量计本体采用不锈钢(304或316L)制成,电极和衬里材质符合卫生级标准;
5、高清晰度背光LCD显示、全中文菜单操作,使用方便,操作简单,易学易懂;
三、卫生型电磁流量计技术参数

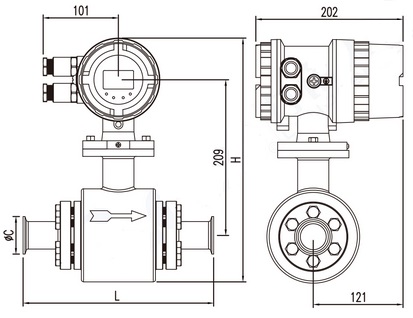
四、卫生型电磁流量计外形尺寸


返回
标签:卫生型电磁流量计,电磁流量计
168飞艇开奖官网开奖记录查询结果