168飞艇开奖官网开奖记录查询结果

天信仪表电话0517-86908060
全部类别
膜盒压力表
发布时间:2020-12-23 11:51来源:字体:
一、膜盒压力表概述
膜盒压力表又称微压表。适用于测量无爆炸危险、不结晶、不凝固,以及对铜和铜合金有腐蚀作用的液体、气体或蒸汽的低微压力。
膜盒压力表适用于测量对铜合金不起腐蚀作用,无爆炸危险的微压和负压。气体广泛应用于锅炉通风和气体管道等设备上,膜盒压力表可以就地安装并现场指示。
二、膜盒压力表结构原理
膜盒压力表由测量系统(包括接头,波纹膜盒等),传动机构(包括拔杆机构,齿轮传动机构),指示部件(包括 指针与度盘)和外壳(包括表壳、衬 圈和表玻璃)所组成。
膜盒压力表的工作原理是基于波纹膜盒在被测介质压力作用下,其自由端产生相应的弹性变形,再经拔杆-齿轮传动机构的传动并予放大,由固定于齿轮轴上的指针逐将被测值在度盘上指示出来。
三、膜盒压力表主要技术指标
标度范围、精确度等级及重量

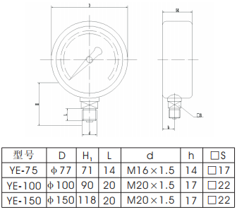
四、外观尺寸

五、型号命名
返回
标签:膜盒压力表
168飞艇开奖官网开奖记录查询结果