压阻式压力变送器
发布时间:2020-07-09 15:44来源:字体: 大 中 小
一、压阻式压力变送器产品概述
压阻式压力变送器采用经过计算机自动测试并用激光调阻工艺进行了宽温度范围的零点和灵敏度补偿的带不锈钢隔离膜片的OEM压阻式传感器作为信号测量元件,传感器信号经过信号处理电路后转换为标准信号输出,产品经过了长期老化及稳定性考核等工艺严格筛选,性能稳定可靠。应用于环境比较恶劣的露天现场,同时要求能够现场观测压力显示、需要零点迁移和量程调节的场合。适用于石油、化工、冶金、电力、轻工、纺织、建材、水文地质、食品、医药、环境控制等行业的过程控制和压力测量。
二、压阻式压力变送器产品特点
1、电子壳体为铝合金材料,外壳防护等级IP65;
2、有反极性保护、瞬间过电流、过电压和抗干扰保护措施;
3、多种信号输出;
4、零点可迁移,量程可调节;
5、可配LCD数显表、LED数显表;
6、与介质接触部分为不锈钢,具有齐平膜片、钽膜片等特殊形式;
三、压阻式压力变送器外性能指标
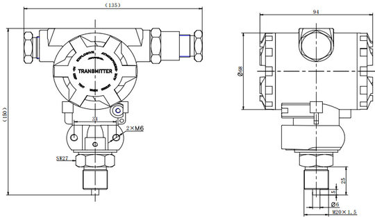
四、压阻式压力变送器外形结构
1、普通型/本安防爆型变送器结构及外形尺寸

2、隔爆型变送器结构及外形尺寸
五、选型指南
返回