一、分体式电磁流量计概述及用途
分体式电磁流量计用于测量封闭管道中导电液体和浆液体的体积流量,适用于石油化工、钢铁冶金、给水排水、水利灌溉、水处理、环保污水总量控制、电力、造纸、食品等行业,与计算机配套可实现系统控制。
二、分体式电磁流量计工作原理
电磁流量计测量原理是基于法拉第电磁感应定律。流量计的测量管是一内衬绝缘材料的非导磁合金短管。两只电极沿管径方向穿通管壁固定在测量管上。其电极头与衬里内表面基本齐平。励磁线圈由双向方波脉冲励磁时,将在与测量管轴线垂直的方向上产生一磁通量密度为B的工作磁场。此时,如果具有一定电导率的流体流经测量管,将切割磁力线感应出电动势E。电动势E正比于磁通量密度B、测量管内径d与平均流速V的乘积,电动势E(流量信号)由电极检出并通过电缆送至转换器。转换器将流量信号放大处理后,可显示流体流量,并能输出脉冲,摸拟电流等信号,用于流量的控制、调节。
当导电流体以平均流速V通过装有一对测量电极的一根内径的绝缘管子流动时,并且该管子处于一个均匀的磁感应强度为B(T)的磁场中。那么,在一对电极上就会感应出垂直于磁场方和流动方向的电动势(E)。
三、分体式电磁流量计产品特点
1.仪表结构简单、可靠,无可动部件,工作寿命长。
2.无截流阻流部件,不存在压力损失和流体堵塞现象。
3.无机械惯性,响应快速,稳定性好,可应用于自动检测、调节程控系统。
4.测量精度不受被测介质的种类及其温度、粘度、压力等物理量参数的影响。
5.传感器与表头连接处单独设计的密封件,可防止外界湿气从连接处进入表头和传感器。
6.励磁线及电极线均采用优质的单芯屏蔽线,可降低干扰,提高信号的洁净度,从而提高测量精度。
7.传感器表面油漆采用金属氟碳漆,金属氟碳漆中氟碳树脂分子连上的氟碳键能够抵抗紫外线的降解作用,表现出极其优异的耐久性、耐紫外线及耐侯性,使金属氟碳漆涂层长久完美如新,减少维修的要求。
8.具有双向流量测量,双向总量累计功能,内部具有三个积算器可分别显示正向累积值,反向累积值及差值积算量。
9.频率可编程低频三值波励磁,提高了流量测量的稳定性,功率损耗低。
10.采用新型32位ARM+CPLD集成度高,运算速度快,计算精度高。
11.全数字量处理,抗干扰能力强,测量可靠。
12.超低EMI开关电源,适用电源电压变化范围大,效率高,温升小,EMC性能好。
13.中英文菜单操作,使用方便,操作简单,易学易懂。
14.高清晰度宽温型OLED显示。
15.使用智能化判断,不采用测量修正设置,空管报警与电极检测应用更加便捷。
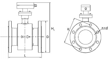
四、分体式电磁流量计结构组成
1、转换器外形

2、端子接线与标示

3、外形尺寸
五、分体式电磁流量计技术参数
六、分体式电磁流量计选型型谱