智能差压控制器
发布时间:2021-10-15 14:48来源:字体: 大 中 小
一、智能差压控制器概述
1、智能差压控制器是采用压阻传感器采集技术,加之高精度工业线路元件集合而成的具有高稳定性。
2、智能差压控制器能采集实时压力,显示实际压力并最多输出4路开关量和1路模拟量,集开关和变送器为一体的隔爆型压力开关。最大量程160MPa,耐压值为选型量程的1.5倍。
3、智能差压控制器能采集实时差压,显示实际差压并最多输出4路开关量和1路模拟量,集开关和变送器为一体的隔爆型差压开关。最大量程2MPa,耐差压值为选型量程的1.5倍,最大静压20MPa(两端同时施压)。
二、智能差压控制器应用
泵及压缩机,水处理系统,机电自动化,工程机械,液压与气动系统,医用设备。
三、智能差压控制器参数
1、电 源:DC24V±5%、AC220V±5%
2、量程范围:-0.1~100MPa
3、设定范围:20%FS~80%FS
4、过 载:150%FS
5、显 示:四位LCD
6、显示精度:0.5%FS
7、防护等级:IP65
8、模拟输出:4-20mA;负载≤600Ω
9、过程连接:M20×1.5
四、智能差压控制器选型
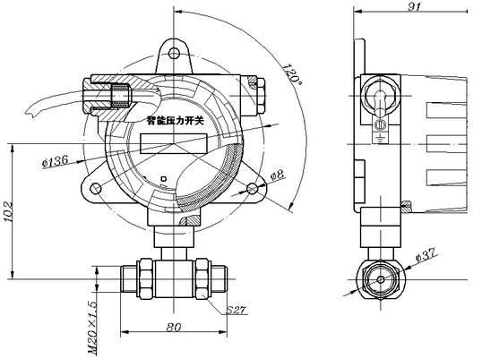
五、智能差压控制器外形
返回