168飞艇开奖官网开奖记录查询结果

天信仪表电话0517-86908060
全部类别
双法兰压力液位变送器
发布时间:2021-02-22 15:44来源:字体:
一、双法兰压力液位变送器概述
双法兰压力液位变送器是用于防止管道中的介质直接进入变送器里的压力传感器组件,它与变送器之间是靠注满流体的毛细管连接起来的。用于测量液体、气体或蒸汽的液位、流量和压力,然后将其转变成4~20mA DC信号输出。
二、双法兰压力液位变送器原理
双法兰压力液位变送器是将变送器的测量膜室用不锈钢毛细管(直径3mm左右的管子,外加保护)联通到数米到数十米不等的一个或两个(压力或差压)做成法兰形式的测量膜盒中,当膜片受压后产生微小变形,变形位移或频率通过毛细管的液体传递给变送器,然后经变送器主体内或放大线路板,将压力或差压转换成信号输出。使用时将法兰连接到设备,即可进行测量。
三、双法兰压力液位变送器特点
1、测量精度高;
2、稳定性好;
3、二线制;
4、固体元件,接插式印刷线路板;
5、小型、重量轻、坚固抗振;
6、量程、零点外部连续可调;
7、正迁移可达500%;负迁移可达600%;
8、阻尼可调;
9、单向过载保护特性好;
10、无机械可动部件,维修工作量少;
11、全系列统一结构,零部件互换性强;
12、接触介质的膜片材料可选择:(316L、TAN、HAST-C、MONEL等耐腐蚀材料)
13、防爆结构,全天候使用。
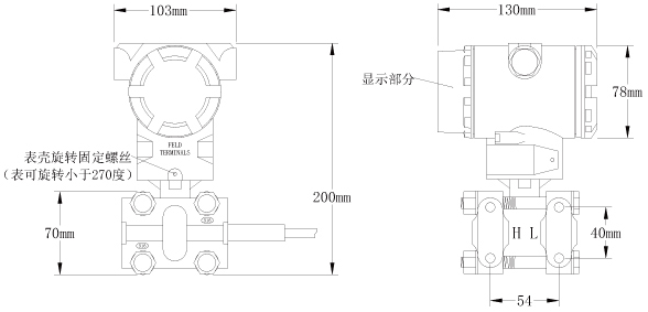
四、双法兰压力液位变送器结构
1、隔离膜片:316L不锈钢,哈氏合金C-276,Monel合金,或钽
2、排气/排液阀:316不锈钢,哈氏合金C,蒙乃尔合金
3、法兰和接头:碳钢镀镍,316不锈钢,哈氏合金C或蒙乃尔合金
4、接触介质“O”形环:丁 腈橡胶,氟橡胶
5、灌充液:硅油或惰性油
6、螺栓:碳钢镀镍
7、电子壳体材料:低铜铝合金
8、引压连接件:法兰NPT 1/4,中心距54mm;接头NPT 1/2或M20×1.5阳螺纹球锥面密封,带接头时中心距50.8、54、57.2mm(NPT锥管螺纹符合GB/T12716-91)
9、信号线连接孔:G1/2〃
10、重量:约5.5kg(不带附件)

五、双法兰压力液位变送器选型型谱
返回
标签:压力液位变送器,法兰压力液位变送器,双法兰压力液位变送器
168飞艇开奖官网开奖记录查询结果