一体化温度变送器
发布时间:2020-06-19 11:39来源:字体: 大 中 小
一、一体化温度变送器概述
一体化温度变送器采用进口传感器温度敏感元件, 用计算机激光调阻进行温度补偿,采用一体化接线盒设计,具有专用接线端子以及数字显示,安装、校验、维修方便。本系列产品适应于石油、水利、化工、冶金、电力、轻工、科研、环保等各种企事业单位,实现对流体温度的测量并适用于各种场合全天候环境及各种腐蚀性流体。
二、一体化温度变送器主要特点
1、多种量程选择;
2、数字、液晶温度显示;
3、量程调试方便;
4、反向极性保护及限流保护;
5、抗雷击、抗冲击;
6、本质安全防爆;体积小、外形美观、性价比高;
7、高精度、高稳定性、高可靠性;
三、一体化温度变送器技术性能
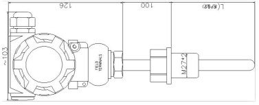
四、一体化温度变送器产品尺寸
五、电气接线
信号端子设置在电气盒的独立舱内。在接线时,可拧下接线侧的表盖。电源是通过信号线接到变送器的,不需要另外的接线。

信号线可采用双绞线。在电磁干扰较严重的场合,建议使用屏蔽导线,并妥善接地。信号线不要与其它电源线一起穿金属管或放在同一线槽中,也不要在强电设备附近通过。
六、注意事项
1、请接线方法正确接线。若接反,由于变送器内部采用了保护措施,将无信号输出。变送器接通电源即可工作,但预热30分钟后的输出信号较稳定可靠。
3、所测系统可出现的最大温度不能超过额定过载值。
4、本产品属精密的一次测量仪表,严禁随意摔打,强力夹持,拆卸。
5、仪表尽可能安装于通风、干燥、无蚀、荫凉之处。如现场环境恶劣,应采取妥善措施保护仪表。
7、输出异常,停机检查,若属产品质量问题随保修卡和使用说明书一起返回本厂维修和退换。
8、非专业人员请勿拆开仪表线路板或更改其它装置。
返回